Em resumo, este projeto de inversor 12v para amplificador de som automotivo pode ser utilizado para alimentar outros projetos além do amplificador IGBT de 100W que necessita de uma fonte simétrica de 55 volts. Dado que o Transformador teria que ser feito do zero, este consersor dc/dc (step up), bastaria que o secundário tivesse a tensão desejada, neste caso cerca de 39-0-39, ou valores superiores.
Ademais, uma vez que este conversor DC/DC, juntamente como seu amplificador, será colocado no porta-malas do carro. Por isso, completamos o sistema com uma proteção automática eficaz contra curtos-circuitos e contra possível sobreaquecimento.
Índice de conteúdo
Principais funções:
- Um sistema de partida suave que, ao ligar o motor, não fornece instantaneamente os 55+55 volts necessário, mas fornece de forma crescente, partindo de 0+0 volts e atingindo o valor máximo de 55+55 volts após alguns segundos.
- Desligamento automático que bloqueia imediatamente o funcionamento do conversor se a absorção exceder 25 amperes ou se a temperatura do transformador T1 atingir 60 graus.
- Função de reinicialização automática que reinicia automaticamente a fonte quando a temperatura cai abaixo de aproximadamente 40 graus.
Este conversor não utiliza o sistema PWM, mas funciona por comutação, ou seja, fornece uma onda quadrada com frequência de aproximadamente 32khz e um ciclo de trabalho de 50%.
Embora o sistema de comutação não nos permita obter uma tensão de saída estabilizada, ele tem a vantagem de ser muito silencioso.
O sistema pwm, ao variar continuamente seu ciclo de trabalho para manter a tensão de saída estabilizada, gera um ruído de “fritura” que, ao chegar ao amplificar que alimentamos, será reproduzido pelos alto-falantes.
Características:
| Operação | Comutação |
| Frequência de comutação | 32Khz |
| Taxa de alimentação | 0,12 a 15 volts |
| Corrente máxima absorvida (*) | 25 amperes (primário) |
| Proteção atual de aproximadamente (*) | 26 amperes (primário) |
| Proteção térmica (desarme) (*) | 60 graus |
| Tempo de reinicialização automática | 5 segundos |
| Tensão máxima de saída | 55+55 |
| Saída de corrente máxima (*) | 2 amperes (secundário) |
| Corrente absorvida sem carga | 200mA |
| Rendimento aproximado (*) | 80% |
(*) Nota: Esses valores eram para o transformador que vinha junto do kit de montagem da época. Já que será necessário um novo transformador, esses valores podem ser usados como referência para o seu embobinamento.
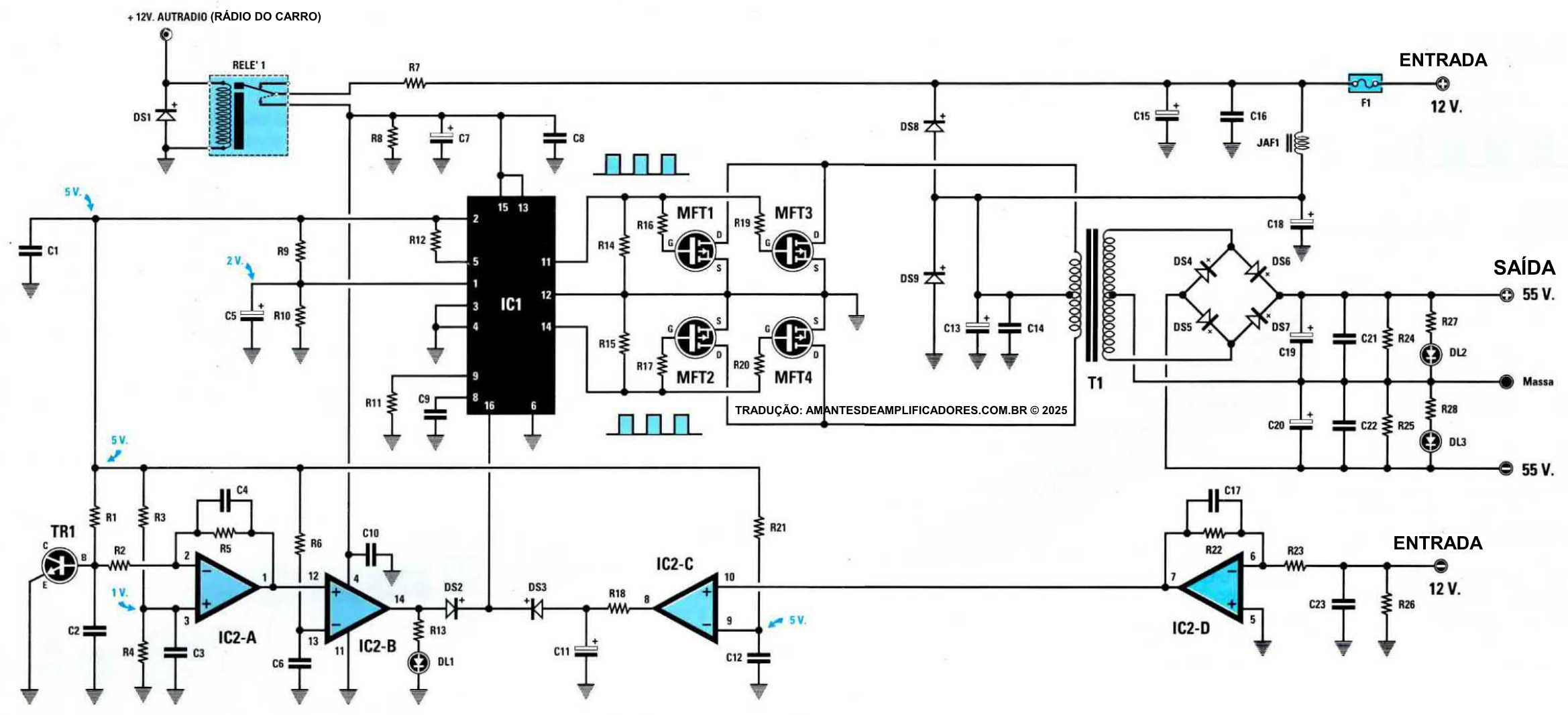
Esquema elétrico inversor 12v som automotivo

Lista de componentes:
- R1 = 1k (1/4 w)
- R2 = 12K (1/4 w)
- R3 = 10K (1/4 w)
- R4 = 2K7 (1/4 w)
- R5 = 100K (1/4 w)
- R6 = 10K (1/4 w)
- R7 = 10R (1/4 w)
- R8 = 2K2 (1/4 w)
- R9 = 150K (1/4 w)
- R10 = 100K (1/4 w)
- R11 = 10K (1/4 w)
- R12 = 10K (1/4 w)
- R13 = 2K2 (1/4 w)
- R14 = 1K (1/4 w)
- R15 = 1K (1/4 w)
- R16 = 10R (1/4 w)
- R17 = 10R (1/4 w)
- R18 = 4K7 (1/4 w)
- R19 = 10 R (1/4 w)
- R20 = 10 R (1/4 w)
- R21 = 10K (1/4 w)
- R22 = 12K (1/4 w)
- R23 = 1K (1/4 w)
- R24 = 5K6 (1/4 w)
- R25 = 5K6 (1/4 w)
- R26 = 0,01 R – 10 Watts
- R27 = 8k2 (1/2 w)
- R28 = 8k2 (1/2 w)
- C1 = 100 nf (poliéster)
- C2 = 100 nf (poliéster)
- C3 = 100 nf (poliéster)
- C4 = 100 nf (poliéster)
- C5 = 220µf – 25v (eletrolítico)
- C6 = 100 nf (poliéster)
- C7 = 100µf – 25v (eletrolítico)
- C8 = 100 nf (poliéster)
- C9 = 3,3 nf (poliéster)
- C10 = 100 nf (poliéster)
- C11 = 220µf – 25v (eletrolítico)
- C12 = 100 nf (poliéster)
- C13 = 4700µf – 35v (eletrolítico)
- C14 = 100 nf (poliéster)
- C15 = 2200µf – 50v (eletrolítico)
- C16 = 100 nf (poliéster)
- C17 = 100 nf (poliéster)
- C18 = 4700µf – 35v (eletrolítico)
- C19 = 4700µf – 63v (eletrolítico)
- C20 = 4700µf – 63v (eletrolítico)
- C21 = 100 nf (poliéster)
- C22= 100 nf (poliéster)
- C23 = 1100 nf (poliéster)
- JAF1 = Imped. Mod. VK27.01 (sem referência)
- DS1 = diodo 1n4150
- DS2 = diodo 1n4150
- DS3 = diodo 1n4150
- DS4 = diodo bym29
- DS5 = diodo bym29
- DS6 = diodo bym29
- DS7 = diodo bym29
- DS8 = diodo PFR852 ou by500
- DS9 = diodo PFR852 ou by500
- DL1 – DL3 = diodo led
- MFT1 = Mos/power IRFP150
- MFT2 = Mos/power IRFP150
- MFT3 = Mos/power IRFP150
- MFT4 = Mos/power IRFP150
- TR1 = NPN BD139
- IC1 = UC3846
- IC2 = LM324
- Rele1 = relé 12V 2 contatos (no e nf)
- T1 = transformador mod. TN0850
De antemão, o centro deste projeto é o circuito integrado IC1, um UC3846. O segundo circuito integrado, identificado como IC2, é um LM324 comum, composto por quatro amplificadores operacionais, que será utilizado para proteger a fonte de alimentação contra curtos-circuitos e sobreaquecimentos.
Sempre que ligarmos o rádio do carro, teremos que pegar os 12 volts do fio do rádio (REM) e conectá-lo ao relé localizado no lado esquerdo do diagrama da fiação.
Similarmente: Amplificador IGBT 100W RMS de 12V (Exclusivo)
Assim, quando ligar o rádio, ele fechará seus contatos e, consequentemente, os 12 volts positivos presente no soquete de entrada +12 volts (veja o lado esquerdo do diagrama de fiação) poderão alcançar os dois circuitos integrados IC1 e IC2.

Partita suave (soft starter)
À primeira vista, ao fornecer tensão ao inversor 12v para som automotivo, ele não produzirá instantaneamente a tensão máxima de 55+55 volts, mas sim gradualmente, partindo de 0+0 volts.
Fazendo isso, eliminaremos aquele ruído irritante nos alto-falantes toda vez que ligamos o aparelho e, ao mesmo tempo, não correremos os riscos de danificar os quatro mosfets e os quatros diodos da ponte retificadora devido à alta absorção instantânea de corrente.
Aumentar gradualmente a tensão, os capacitores eletrolíticos carregarão lentamente e, dessa forma, absorverão uma corrente muito menor do conversor, que nunca excederá 3 a 3,5 amperes.
Esse aumento gradual na tensão de saída, chamado de partida suave (soft starter), é obtido aumentando-se lentamente a tensão no pino 1 do IC1. De fato, somente quando uma tensão de aproximadamente 2 volts estiver presente neste pino, a tensão positiva máxima de 55+55 volts estará presente na saída do conversor, enquanto que com valores de tensão mais baixos, tensões mais baixas serão obtidas na saída do conversor.
Para garantir que uma tensão crescente chegue ao pino 1, partindo de um mínimo de 0 volts e atingindo gradualmente os 2 volts necessário, usaremos a tensão estabilizada de 5 volts que o mesmo circuito integrado IC1 fornece no pino 2.
Essa tensão não será aplicada diretamente ao pino 1, mas sim atrás de um divisor resistivo composto pelos dois resistores R9 e R10 e, como há um capacitor eletrolítico de 220uf (veja C5) entre esse pino e o terra, levará certo tempo para que este último carregue até os 2 volts necessários.
Gerador de onda quardada

Na prática, ao ser ligado, o oscilador interno do circuito integrado IC1 oscilará instantaneamente em torno de 32khz, mas essa frequência começará com um ciclo de trabalho da ordem de 6 a 7% e gradualmente atingirá 50%.
Para obter a frequência de comutação de aproximadamente 32khz, um resistor de 10k ohms deve ser aplicado ao pino 9 (veja R11) e um capacitor de 3300pf ao pino 8 (veja C9).
Essa frequência de onda quadrada de 32khz sairá dos pinos 11 a 14 com defasagem de 180 graus em relação ao pino 12 de aterramento.
Com essas ondas quadradas, que atingirão uma amplitude máxima de 12 volts, acionaremos os dois pares de mosfets de potência de canal N, que no diagrama de fiação identificamos como MFT1/MFt3 e MFt2/MFt4.
Quando a onda quadrada que sai do pino 11 passa de 0 para 12v, essa tensão positiva A corrente elétrica, através dos resistores R16 e R19, alcançará os gates dos mostets mtf1/mft3, tornando-os condutores.
Quando a onda quadrada no pino 11 passa de 12 para 0 volts, os dois mosfets mft1/mft3 deixam de receber tensão de polarização e param de conduzir.
Quando a onda quadrada no pino 11 passa de 12 para 0 volts, no pino oposto 14 a onda quadrada passará de 0 para 12 volts. Essa tensão positiva, então, alcançará, através dos resistores r17 e r20, os gates dos mosfets mft2 e mft4, tornando os condutores.
Em seguida, alternadamente, os dois pares de mosfet mft1/mft3 e mft2/mft4 começarão a conduzir a uma frequência de 32khz.
Tensão quase senoial no secundário
O par de mosfets que começará a conduzir curto-circuitará a metade do enrolamento primário do transformador T1 ou terra. Dessa forma, no enrolamento secundário do transformador T1, obteremos uma tensão quase senoidal, cujo valor será proporcional à relação entre o número de espiras do primário e do secundário.
Como o número de espiras que enrolamos no transformador de ferrite, obteremos uma tensão alternada de aproximadamente 39+39 volts (médio) que retificada pelos 4 diodos ultrarrápidos do tipo BYW.29 conectados em ponte (ver ds4-ds5-ds6-ds7), nos permitirá obter uma tensão dupla de:
39 x 1,41 = 54,99 Volts
Em relação ao terra (pino 12 do IC1).
Essa tensão pode chegar a 58 volts se a bateria estiver perfeitamente carregada, portando não se preocupe se, ao medir a tensão de saída, você detectar 2 a 3 volts a mais do que o necessário.
Sistema de proteção de curto-circuito e superaquecimento

Note que a tensão negativa de 12 volts retirada da bateria chegará ao terra do conversor passando elo resistor blindando de 0,01 ohms R26. Este resistor será usado para controlar a corrente de absorção através dos IC2 C e D.
Outro detalhe a observar é a derivação central para a tensão de saída de 55+55 volts, que é isolada eletricamente do terra de todo o conversor.
Outro detalhe que teremos de levar em consideração ao instalar um amplificador em um carro diz respeito ao aterramento.
Todas as partes metálicas do amplificador devem ser isoladas eletricamente da carroceria do carro para evitar que captem ruído indesejados das velas de ignição, do alternador e das luzes de sinalização.
Antes de explicar como funcionam a proteção contra curto-circuito e superaquecimento, devemos salientar que o oscilador interno de 32khz do circuito integrado IC1 funciona apenas se o seu pino 16 estiver configurado para o nível lógico 0.
Se uma tensão positiva superior a 1 volt for aplicada a este pino, o oscilador desligar-se instantaneamente e o circuito integrado automaticamente curto-circuitar para o terra os dois pinos de saída 11 e 14 que alimentam os gates do mosfet.
Nessa condição, os quartos mosfets, por não receberem a frequência de 32khz, não poderão mais conduzir, portando haverá 0 volts na saída do conversor. Essa função de travamento do oscilador é chamada de disparo/redução. Quando isso estiver faltando no pino 16
Reinicialização automática
Com tensão positiva, o oscilador reiniciará automaticamente no modo soft/start, conforme já descrito. Essa função que reinicia automaticamente o conversor no modo soft-start é chamado de auto-restart.
Sempre que o circuito integrado é reiniciado, ele verifica se a corrente consumida ou a temperatura dentro do conversor estão normais. Caso detecte alguma anomalia, desliga o oscilador e, após um período de cerca de 5 segundos, liga-o novamente e, em seguida, desliga-o outra vez.
Se houver um curto-circuito na saída, veremos dois leds, DL2 e DL3 piscarem a uma taxa de aproximadamente 5 segundos, enquanto que, se houver superaquecimento, veremos apenas o led DL1 acender.
Proteção térmica
O circuito utilizado para proteção térmica é composto pelo transistor TR1 e pelos dois amplificadores operacionais IC2 A e B.
Ao falar sobre proteção térmica, todos pensarão que ela serve para manter a temperatura dos quatro MOSFETs sob controle, mas, ao observar o diagrama, você descobrirá, com surpresa, que ela é usada para controlar apenas a temperatura do transformador T1.
O motivo é muito simples: os quatro MOSFETs funcionam em modo de comutação com uma onda quadrada de frequência de 32khz dissipa muito pouco watts de calor, portanto, os dispositivos permanecerão aquecidos mesmo após muitas horas de funcionamento.
O núcleo de ferrite do transformador T1, no entanto, se funcionar por muitas horas com corrente máxima, tenderá a superaquecer lentamente, piorando sua permeabilidade magnética.
Como resultado, a eficiência da fonte de alimentação diminuirá, o que fará com que ela superaqueça ainda mais.
Proteção para o Transformador
Para evitar que a temperatura do núcleo atinja 60 graus, aplicamos uma sonda de controle ao plástico que envolve o transformador, que em nosso projeto consiste no transistor TR1.
Como esse transistor é usado como um diodo, o terminal do coletor permanece desconectado. Quando a temperatura desde transistor se mantiver entre 30 e 40 graus, haverá aproximadamente 0,8 volts entre a base e o terra.
Essa tensão, como pode ser visto no diagrama do circuito, é aplicada através do resistor R2 à entrada inversora (pino 2) do amplificador operacional identificado como IC2 A.
Uma tensão de referência de 1 volt será aplicada ao pino não inversor oposto (pino 3) do mesmo amplificador operacional através do divisor resistivo R3 e R4.
Nessas condições, encontraremos uma tensão aproximadamente de 3 volts no pino de saída (pino 1 do IC2 A) somente se a temperatura permanecer entre 25 e 30 graus.
Se a temperatura do transformador atingir 55-60 graus, a tensão de 0,7 volts presente na base do transistor TR1 cairá abaixo de 0,5 – 0,4 volts e, nessa condição, haverá uma tensão positiva de 5 volts no pino de saída do ic2 a.
Essa tensão, ao entrar no pino não inversor (pino 12) do amplificador operacional IC2 B, usado como comparador de tensão, fará com que uma tensão positiva de 12 volts saia do pino 14 e, passando pelo diodo DS2, chegue ao pino 16 do circuito integrado IC1, bloqueando instantaneamente o oscilador de onda quadrada de 32khz.
A mesma tensão também chegará ao diodo led DL1 que, ao acender, nos avisará que a fonte de alimentação está bloqueada porque o transformador T1 atingiu uma temperatura de 60 graus. Assim que a temperatura do transformador cair abaixo de 60 graus, a fonte de alimentação começará automaticamente a operar normalmente no modo partida suave.
Proteção contra curto-circuito
O circuito utilizado para proteção contra curto-circuito é composto por dois amplificadores operacionais, identificados como IC2 C e D. Essa proteção é usada para bloquear instantaneamente o inversor 12V do amplificador de som automotivo, se a corrente absorvida exceder 25 – 26 amperes.
Essa absorção excessiva pode ocorrer se um dos quatro diodos da ponte retificadora entrar em curto-circuito ou se o amplificador também apresentar algum defeito.
A entrada inversora (pino 6) do IC2 D está conectada, através do resistor R23, ao terminal negativo da fonte 12 volts e a entrada não inversora (pino 5) ao terra.
Como existe um resistor blindado R26 entre o negativo da bateria e o terra do conversor, o IC2 D amplificará a queda de tensão existente nesse resistor.
Se a corrente permanecer dentro do valor predefinido, por exemplo em torno de 24 amperes, uma tensão de cerca de 4,5 a 4,7 volts estará presente no pino de saída do IC2 D.
Na verdade, quando o circuito absorver 24 amperes, haverá uma tensão presente nos terminais de R26 de 0,01 ohms, que podemos calcular com a fórmula:
Volts = Ohm x Amper
Portanto, a tensão que conseguiremos detectar terá um valor aproximado de:
0,01 x 24 = 0,24 volts ou 240 mv
Nessas condições, IC2 D, em configuração de amplificador inversor com ganho de 12 vezes (o valor do ganho pode ser calculado dividindo-se o valor de r22, de 12k, pelo valor de r23, de 1k), fornecerá em seu pino 7 uma tensão de aproximadamente:
0,24 x 12 = 2,88 volts
Correção
No entanto, isso não é completamente exato, pois devemos adicionar os valores dos fios que conectam os dois terminais do resistor e, assumindo que estes tenham uma resistência desprezível de 0,007 ohms, obteremos um total de 0,01 + 0,007 = 0,017 ohms. Portanto, refazendo nossos cálculos, teremos:
0,017 x 24 = 0,408 volts
Equivale a 408 milivolts em vez dos 240 milivolts teóricos.
Com essa tensão e consumo de corrente de 24 amperes, na saída do IC2 D, obteremos uma tensão de:
0,408 x 12 = 4,89 volts
Que, como pode ser visto no diagrama elétrico, será aplicado ao pino não inversor 10 do amplificador operacional IC 2 C.
Como existe uma tensão de referência de 5 volts no pino inversor oposto 9 do IC2 C, encontraremos uma tensão de 0 volts em seu pino de saída 8.
Se a corrente que consumimos do conversor atingisse 26 amperes, a queda de tensão neste resistor de 0,017 ohms aumentaria para:
0,017 x 26 = 0,442 volts
Que, multiplicado pelo ganho de IC2 D, que como sabemos é 12 vezes, fará com que a tensão no pino de saída 7 suba o valor de:
0,442 x 12 = 5,3 volts
Essa tensão, ao exceder o valor limite do pino oposto 9, alternará a saída 8 do circuito integrado de 0 para 12 volts.
Essa tensão, ao passar pelo transistor R18 e pelo diodo DS3, chegará ao pino 16 do IC1, bloqueando imediatamente seu oscilador interno de 32khz.
O capacitor eletrolítico C11, colocado após o resistor r18, serve para eliminar aqueles picos de corrente muito rápidos e instantâneos que poderiam bloquear inutilmente o oscilador interno do IC1.
Condirações finais

Finalmente, utilizamos o fusível F1 de 35 amperes em série com fio positivo que se conectará à bateria de 12 volts, para proteger ainda mais a fonte de alimentação contra curtos-circuitos.
Na verdade, mesmo quando a fonte de alimentação está desligada, a tensão de 12 volts está sempre presente nos terminais de dreno/fonte dos quartos mosfets, portanto, se por acaso um deles entrar em curto-circuito, o enrolamento primário do transformador t1 poderá queimar.
Por fim, devemos acrescentar que os fios que utilizaremos para conectar a entrada da fonte de alimentação à bateria do carro devem ser de cobre com diâmetro no mínimo de 3,5 mm, para evitar o superaquecimento.
Os fios que utilizaremos para conectar a saída de 55+55 volts ao amplificador devem ser de cobre com diâmetro mínimo de 1mm.


