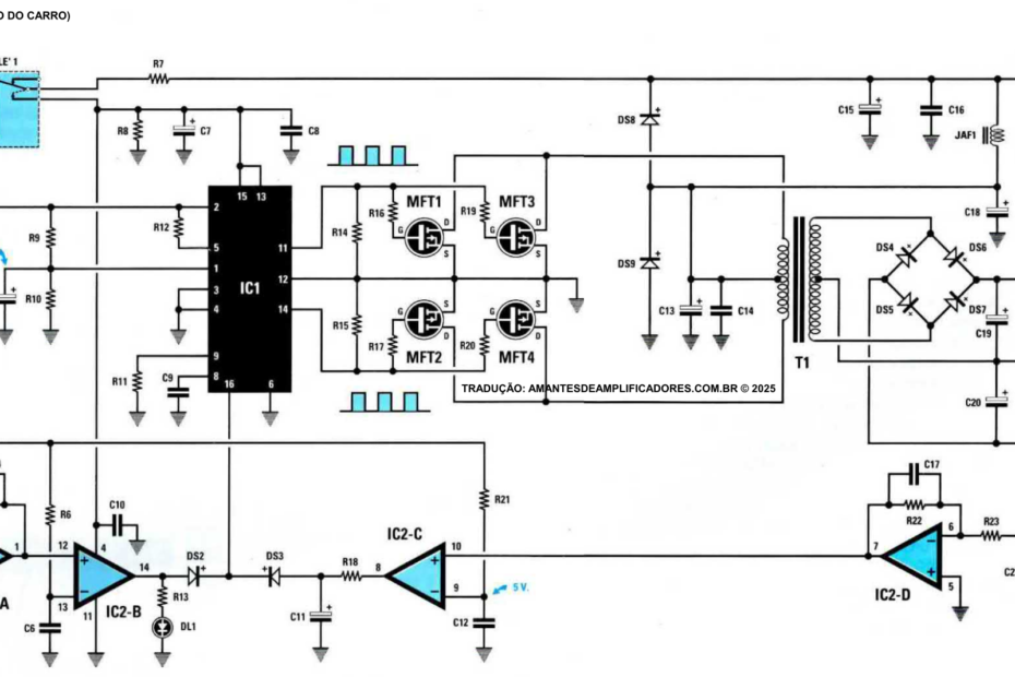
Esquema inversor 12V para som automotivo (Exclusivo)
Em resumo, este projeto de inversor 12v para amplificador de som automotivo pode ser utilizado para alimentar outros projetos além do amplificador IGBT de 100W… Ler mais »Esquema inversor 12V para som automotivo (Exclusivo)


